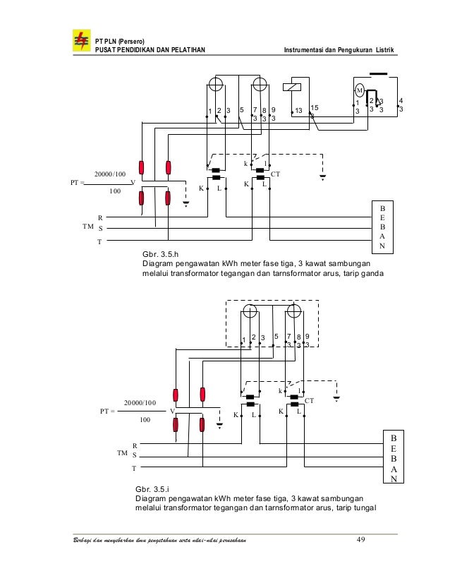
Diagram Pengawatan Kwh Meter 1 Fasa : Susunan terminal harus sama dengan diagram rangkaian.

Diagram Pengawatan Kwh Meter 1 Fasa - Materi training kwh meter edmi.

Random Posts

  • Ullu Web Series Actress Names
  • Gta 5 Beverly Mission 3
  • Gta V Beverly Last Mission
  • Audition Dialogue Script In Hindi Female
  • Wallpaper Khufra Skin
  • Azhagiya Laila Serial
  • Siva Parvathi Photos Png
  • Krithi Shetty In Uppena Audio Launch
  • Guinevere Savage Pic
  • Deniece Williams Free Youtube
  • Qolorha
  • Latest Love Songs Telugu Download
  • Újvidék Térkép
  • Latest Telugu Songs Download 2019
  • Roja Poo Malai Photos
  • Popular Posts

  • Akshay Kumar Movies List 2019
  • Uriyadi Game In English
  • Vaishnavi Meaning In Marathi
  • Ymusic App Download
  • Waaji City Building
  • Gita Govinda Movie Bike Photos
  • Nell Williams Game Of Thrones
  • Lampion Dari Angpao
  • Interview User Bni
  • Meaning Of Crush In Tamil
  • Tanishq 3 Tola Gold Mangalsutra Design
  • Niyathi Kadambi Parents
  • Kwh Meter Digital 1 Phase
  • Kenalan Lewat Ig
  • Anne Helm Height